手动管夹阀
 |
 |
| 手动管夹阀 |
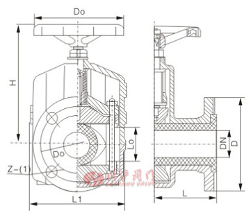
手动管夹阀(结构图) |
■ 产品概述
一、主要结构型式:
手动管夹阀由阀体、橡胶管套、大小阀杆、压板、拉杆、托架、手轮等零件组成。
二、工作原理:
当顺时针转动手轮时,使大小阀杆同时转动来带动上下压板以压缩橡胶管套从而进行关闭,反之即行开启。这样压板在拉杆之间上下往复运动来完成阀门开闭工作。
三、注意事项:
因橡胶管套承受力小,所以在开闭时,操作人员旋转手轮时只要感到适量抵触,均达到开闭极点。切勿尽力及多人辅助,禁用其他工具开闭。
四、安装与维护:
1.手动管夹阀在管道上任意安装,没有介质流向限制。
2.手动管夹阀维护成本低,没有需要定期更换的阀座、密封填料、密封圈或伸缩管。胶管是管夹阀唯一需要更换的零件,一旦更换了胶管,阀门就像新阀门一样。本阀门很少需要其他零件库存。
■ 主要性能规范
| 适用温度 |
≤80℃ |
| 适用介质 |
矿浆、磨料、干湿型粉尘类 |
■ 零部件材质
| 阀体 |
铝合金、铸铁、铸钢 |
| 套管 |
橡胶 |
| 压板 |
铸铁 |
| 拉杆 |
铸铁 |
| 托架 |
球墨铸铁 |
| 手轮 |
铸铁 |
■ 橡胶衬里材质及使用范围
| 衬里材质(代号) |
适用温度 |
适用介质 |
| 硬橡胶(NR) |
-10℃-85℃ |
除强氧化剂(硝酸、铬酸。浓硫酸及过氧化氢等)和有机溶剂外,适用于:氢 氯酸、氟硅酸、乙醛和酚酸、盐酸、30%硫酸、50%氢氟酸、80%磷酸、碱、盐类、 镀金属溶液、氢氧化钠、氢氧化钾,中性盐水溶液、10%次氯酸钠、湿氯气、氨水、 大部分醇类,有机酸及醛类等。 |
| 软橡胶(BR) |
-10℃-85℃ |
具有良好的耐磨性能。主要用于50%以下的硫酸、氢氧化钠、氢氧化钾、中性 盐溶液及胺液,水泥、粘土、煤渣灰、颗粒状化肥及磨损性较强的固态流体,各种 溶度稠粘液等。 |
| 丁基胶(IIR) |
10℃-120℃ |
抗腐蚀、耐磨耗,能耐极大多数的有机酸,碱和氢氧化物、无机盐及无机酸、 元素气体、醇类、醛类、酮类、脂类等。≤30%硫酸、磷酸、氢氟酸、煤焦油、动 物油、植物油、苛性碱和多种脂类。 |
| 氯丁胶 |
-10℃-105℃ |
动物油、植物油和无机润滑油及PH值变化范围很大的腐蚀性泥浆,抗磨性好。 |
■ 氟塑料及搪瓷衬里材质及使用范围
| 衬里材料(代号) |
适用温度 |
适用介质 |
| 聚全氟乙丙稀(FEP) |
≤150℃ |
各种浓度的盐酸、硫酸、氢氟酸以及王水、硝酸、各种有机酸、强碱、强 氧化剂或浓稀酸交替、各种有机溶剂和除熔融碱金属,元素氟及芳香烃类外 的其他强腐蚀性介质。 |
| 聚偏氟乙烯(PVDF) |
≤100℃ |
| 聚四氟乙烯和乙烯共聚物(ETFE) |
≤120℃ |
| 可溶性聚四氟乙烯(PFA) |
≤180℃ |
| 增强聚丙烯(RPP) |
≤100℃ |
除浓硝酸、发烟硫酸、氯磺酸及强氧化剂外的大多数有机酸、 无机酸、无机溶剂等。 |
| 耐酸搪瓷 |
≤100℃ |
除氢氟酸、浓磷酸、强碱外的一般腐蚀介质。 |
■ 橡胶材质及使用范围
| 橡胶名称及代号 |
适用温度 |
适用介质 |
| 丁基橡胶(B级)(IIR) |
≤120℃ |
85%硫酸、盐酸、氢氟酸、磷酸、苛性碱和多种脂类等。 |
| 天然橡胶(〇级)(NR ) |
≤100℃ |
净化水、无机盐、稀释无机酸等。 |
| 三元乙丙橡胶(EPDF) |
≤120℃ |
具有天然橡胶相似的耐酸碱性能,用于低压蒸汽、热水、 冷水性能极为良好。 |
| 氯丁橡胶(CR) |
≤85℃ |
耐酸、耐碱、耐油和非极性溶剂,耐磨性优于天然橡胶。 |
| 丁晴橡胶(NBR) |
≤85℃ |
耐油耐磨,其耐酸性能与天然橡胶相似。 |
| 氟橡胶(FPM) |
≤150℃ |
具有类似氟塑料的耐磨腐蚀性能,在浓酸、强氧化 性能中极稳定,在有机溶剂和碱溶液中稳定。 |
■ 安装尺寸
| 公称通径 (DN) |
公称压力 (MPa) |
工作压力 (MPa) |
L |
L1 |
Lo |
D |
D1 |
Do |
H |
z-d> |
重量
(kg) |
| 25 |
0.6 |
0.6 |
142 |
124 |
31 |
115 |
85 |
120 |
150 |
4-14 |
3 |
| 32 |
160 |
145 |
40 |
*140 |
100 |
140 |
174 |
4-18 |
4.5 |
| 40 |
180 |
157 |
50 |
*150 |
110 |
140 |
186 |
4-18 |
5.5 |
| 50 |
210 |
160 |
60 |
160 |
125 |
160 |
205 |
4-18 |
7.5 |
| 65 |
250 |
199 |
74 |
180 |
145 |
160 |
238 |
4-18 |
9.0 |
| 80 |
300 |
222 |
88 |
195 |
160 |
200 |
241 |
4-18 |
13.5 |
| 100 |
350 |
250 |
106 |
215 |
180 |
240 |
301 |
8-18 |
20 |
| 125 |
430 |
318 |
134 |
245 |
210 |
280 |
360 |
8-18 |
27.5 |
| 150 |
500 |
350 |
158 |
280 |
240 |
320 |
405 |
8-23 |
43 |
| 200 |
650 |
446 |
206 |
335 |
295 |
560 |
545 |
8-23 |
85 |
| 250 |
0.4 |
0.4 |
800 |
516 |
256 |
*395 |
350 |
560 |
632 |
12-23 |
138 |
| 300 |
950 |
562 |
304 |
*445 |
400 |
620 |
741 |
12-23 |
195 |
注:由于产品改进技术创新参数可能有一定变化,请咨询公司技术部门索取新数据。
|